Filtrar
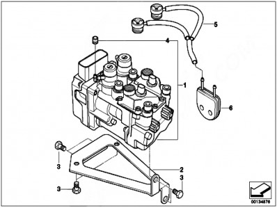
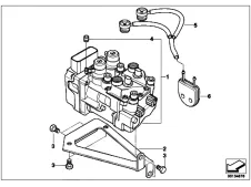
Módulo de ABS
34517685790-M
Módulo de ABS Bmw R1150 rs K1200 rs y R850 r
RECAMBIO DE INTERCAMBIO
Nos envías tu recambio y te enviamos otro totalmente reconstruido y con dos años de garantía
- Nos envías tu recambio.
- Te enviamos otro totalmente reconstruido y con dos años de garantía.
Instrucciones y etiquetas de envío
Módulo freno semi-integral.
- Recambio Ecológico: Se trata de un módulo de ABS comprobado, revisado y con 2 AÑOS de garantía. El modulador de ABS se ha puesto a la venta después de verificar el funcionamiento, según los valores que indica el fabricante, es decir, tiene el rango de presión establecido por el fabricante. Si eliges esta opción te llevarás una bomba con más garantía que en casa oficial pero un 50% más económica.
- Recambio Nuevo Original: Se trata de una bomba nueva y original de la Marca.
- Reparación de tu Recambio: Esta es la mejor solución para el problema de tu moto. Eligiendo esta opción estás comprando una reparación de tu modulador ABS. Esta reparación consiste en la comprobación de la bomba hidráulica, sensores, ECU y el motor de la bomba. La reparación cuenta con 1 año de Garantía. Somos especialistas en reparaciones de módulos de ABS.
También instalado en los siguientes modelos
Bmw
- R1150 r 2000 - 2005
- R1150 rs 2000 - 2005
- k1200 rs abs 2001 - 2005
- R850 r 2003 - 2009
2000 00 2001 01 2002 02 2003 03 2004 04 2005 05
1 artículo
2.828,69 €
990,04 €
65% de descuento
Impuestos incluidos
Modulo del abs Bmw R1150 rs 2000 - 2005
Averías comunes de frenos ABS
- Deficiencias el circuito delantero o trasero derivadas del motor del módulo
- Exceso de presión el los circuitos del ABS
- Falta de presión el los circuitos derivadas del motor del ABS
- Funcionamiento erróneo de los sensores de ABS
- Funcionamiento continuo de un motor
- El motor de la unidad de mando se queda en funcionamiento contínuo.
- Centralita de ABS con errores internos.
- Sin conexión en centralita. Respuesta EEprom
- Errores varios en módulo y centralita de ABS

- Marca de moto
- Bmw
- Cilindrada de moto
- 850, 1150, 1200
- Modelo de moto
- r1150 rs 2000 - 2005, r850 r 2003 - 2009, k1200 rs abs 1996 - 2001, r1150 r 2000 - 2005
- Año de Moto
- 2007, 2000, 2004, 1997, 2008, 2001, 2005, 1998, 2009, 2002, 2006, 1999, 2003, 1996
- Tipo de Moto
- Sport
- Nombre del recambio
- Modulo del abs con servofreno semintegral





























