Filtrar
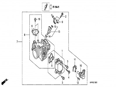
Bateria inyectores
16400KTYD32-M
Bateria inyectores Honda Cbr r 125 2008-2009
También instalado en los siguientes modelos
Honda
- cbr r 125 2008-2009
2008 08 2009 09
4 artículos
520,84 €
260,42 €
50% de descuento
Impuestos incluidos
Bateria inyectores Honda Cbr r 125 2008-2009

- Marca de moto
- Honda
- Cilindrada de moto
- 125
- Modelo de moto
- CBR 125 2004 - 2010
- Año de Moto
- 2010, 2007, 2008, 2009
- Tipo de Moto
- Sport
- Nombre del recambio
- Bateria inyectores





























