Filtrar
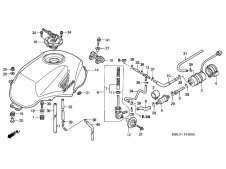
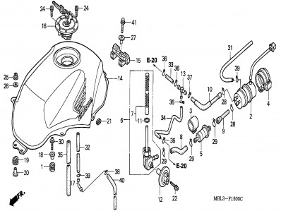
Deposito gasolina
17520MBLD00-MGR
Deposito gasolina Honda Deauville 650 1998-1999
También instalado en los siguientes modelos
Honda
- Deauville 650 1998-1999
1998 98 1999 99
2 artículos
1.007,32 €
402,93 €
60% de descuento
Impuestos incluidos
Deposito gasolina Honda Deauville 650 1998-1999

- Marca de moto
- Honda
- Cilindrada de moto
- 650
- Modelo de moto
- deauville 650 1998-1999
- Año de Moto
- 1999, 1998
- Tipo de Moto
- Turismo
- Nombre del recambio
- Deposito gasolina





























