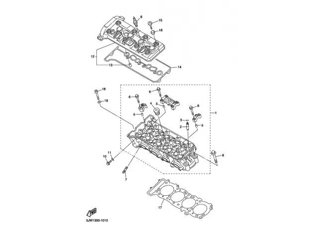
Culata
Culata turismo fjr 1300 cc. 2001-2003
También instalado en los siguientes modelos
- FJR 1300 cc. 2001-2003

Esta culata esta, se han revisado los arboles de levas, las válvulas, el asiento de las válvulas, etc., para así poder dar una garantía completa sobre este recambio
La fjr 1300 monta piezas que se montan en mas modelos de yamaha como regulador, discos, etc.
Potencia, calidad y diseño definen a yamaha todonuestro recambio ha sido estrictamente revisadopor nuestros técnicos para poder ofrecerte un repuesto original de gran calidad de una forma muy económica.
El recambio de moto turismo se ha de verificar conespecial atención para que tu comodidad y seguridad no se vean afectadas y realices todos tus kilómetros sin problemas, de manera económica. visita también la sección de accesorios

- Marca de moto
- Yamaha
- Cilindrada de moto
- 1300
- Modelo de moto
- fjr 1300 2001-2003, fjr 1300 2006-2008
- Año de Moto
- 2001, 2007, 2002, 2008, 2003, 2006
- Tipo de Moto
- Turismo
- Nombre del recambio
- Culata





























