Filtrar
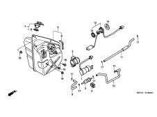
Aforador
37800KFG305-M
Aforador Honda Foresight 250 1998-2006
También instalado en los siguientes modelos
1998 98 1999 99 2000 00 2001 01 2002 02 2003 03 2004 04 2005 05 2006 06
1 artículo
101,82 €
35,64 €
65% de descuento
Impuestos incluidos
Aforador Honda Foresight 250 1998-2006

- Marca de moto
- Honda
- Cilindrada de moto
- 250
- Modelo de moto
- foresight 250 1998-2006
- Año de Moto
- 2001, 2005, 1998, 2002, 2006, 1999, 2003, 2000, 2004
- Tipo de Moto
- Scooter 125 a 399 cc
- Nombre del recambio
- Aforador





























